
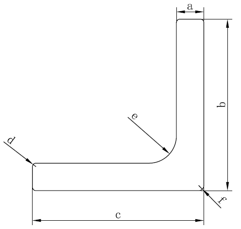
产品拥有如下特性:
| 产品名称 | 弘诚品名 | 槽钢规格(壁厚*短臂长*长臂长) |
| GPO-3 L角 | HC-XC-L-W | GPO-3 白色L角 2.5*14*14 |
| HC-XC-L-R | GPO-3 红色L角 3.0*40*40 | |
| HC-XC-L-R | GPO-3 红色L角 4.0*30*40 | |
| HC-XC-L-R | GPO-3 红色L角 4.0*40*88.5 | |
| HC-XC-L-R | GPO-3 红色L角 4.8*31.8*44.45 | |
| HC-XC-L-R | GPO-3 红色L角 5.0*50*50 | |
| HC-XC-L-R | GPO-3 红色L角 6.0*20*34 | |
| HC-XC-L-R | GPO-3 红色L角 6.0*25*50 | |
| HC-XC-L-R | GPO-3 红色L角 6.0*30*50 | |
| HC-XC-L-R | GPO-3 红色L角 6.0*50*50 | |
| HC-XC-L-R | GPO-3 红色L角 6.0*75*100 | |
| HC-XC-L-R | GPO-3 红色L角 6.35*50.8*50.8 | |
| HC-XC-L-R | GPO-3 红色L角 8*50*50 | |
| HC-XC-L-R | GPO-3 红色L角 8.0*50*65 | |
| HC-XC-L-R | GPO-3 红色L角 10*50*75 | |
| HC-XC-L-R | GPO-3 红色L角 10*50*80 | |
| HC-XC-L-R | GPO-3 红色L角 10*50*125 | |
| HC-XC-L-R | GPO-3 红色L角 10*63*100 | |
| HC-XC-L-R | GPO-3 红色L角 10*75*75 | |
| HC-XC-L-R | GPO-3 红色L角 10*80*150 | |
| HC-XC-L-R | GPO-3 红色L角 10*90*90 | |
| HC-XC-L-R | GPO-3 红色L角 10*125*125 | |
| HC-XC-L-G | GPO-3 灰色L角 6*50*50*1350 |


